Guide to Liverworts of Oregon: Solenostoma schusterianum (J.D. Godfrey & G. Godfrey) Váňa, Hentschel & Heinrichs


HOME         SPECIES INDEX         GENUS INDEX         GLOSSARY


Synonyms: Jungermannnia schusteriana J.D. Godfrey & G. Godfrey; Plectocolea schusteriana (J.D. Godfrey & G. Godfrey) Bakalin

Taxonomic note: The spelling of the specific epithet in the original publication, schusterana, is preferred by the authors (J. Godfrey, pers. comm.) but is spelled as given here following the Tropicos citation.

Special Status: Pending; recently (2021) found in Oregon. Previously known only from Alaska, British Columbia, Washington and California.

Recognition: Mostly know as an obligate aquatic on rocks in small streams; leaves dark green, ovate to rounded subtriangular, nearly transversely inserted, cupped at base and only shortly decurrent; oil bodies ~ 3X chloroplasts, spherical or ovoid, (1)2 - 6(8) per cell, mostly botryoidal, composed of homogenous, glistening globules (Godfrey and Godfrey 1979; not seen in California material).

It has become apparent to me that the Waldo plant does not belong in Jamesoniella. Some of the more complanate forms could be mistaken for a Plagiochila. Recent study of fresh specimens from the outlet stream of Waldo Lake suggest that the dominant of the bottom of Waldo Lake is most likely Jungermannia schusteriana.

Distribution: On rocks in streams at high elevations, submerged. Originally described from British Columbia, it is known from Washington to Alaska and has recently been found in California and Oregon.

Comments: The closest look alikes are Jungermannia eucordifolia and Solenostoma fusiforme. From both it can be distinguished by the presence of flagelliform branches. Like Jungermannia eucordifolia, its leaves tend to be widest near the base, broadly, rounded triangular. Although Solenostoma schusterianum has been characterized as being distinguished by botryoidal oil bodies, there is variability in this character in all three. The oil bodies of Solenostoma fusiforme vary less, where most are prominently botryoidal.

Like other perennially submerged aquatics, reproductive organs are rarely seen. Because traditional keys like these are based on features of reproductive organs, it cannot be keyed out easily. It must first be learned from studying fresh material, pictures and herbarium specimens.

This species is obviously closely related to the near look alikes in Jungermannia s.l.. They appear to be clearly in the same genus based on traditional taxonomic observations. However, all of them have appeared in either Jungermannia, Solenostoma, or Plectocolea in recent literature (Stotler and Crandall-Stotler 2017). The phylogenomic studies on which various taxonomic treatments are based are not consistant, and cannot be considered reliable. Using Solenostoma schusterianum here recognizes the Stotler and Crandall-Stotler (2017) recommendations although Bakalin uses Plectocolea in his treatment for Flora of North America Bakalin (2016).

The typical form of Solenostoma schusterianum is abundant in streams of the Waldo Lake watershed, Willamette National Forest, Oregon. It appears to me that the liverwort that carpets the bottom of Waldo Lake is a deep water form of S. schusteriana. I have studied it repeatedly, along with other Waldo Lake bryophytes (Wagner, D.H., J.A. Christy and D.W. Larson. 2000). It lacks flagelliform branches and has male shoots that are not typical of the genus (see the South Bay, Waldo specimen, Larson #3 6-9-90).

The benthic liverwort in Waldo Lake seems to grade into the plants of the outlet streams. The benthic plants are recognized by their location and habitat (bottom of Waldo Lake) as much as morphology. It grows over the bottom of Waldo Lake, Lane County to its deepest point at 120 m. It dominates much of the lake floor from ca. 20 meters to the bottom, forming a continuous carpet over extensive areas (Wagner, et al. 2000). They have succubous leaves which are rounded or more often emarginate. Plants from deeper in the lake have a greater tendency to produce round leaf tips. Underleaves are absent from most stem segments but are produced sporadically. The occasional underleaf is quite large and lanceolate. This feature of sporadic underleaf production is one of the main reasons I had used the name Jamesoniella autumnalis var. heterostipa in the past, since that, in addition to aquatic habitat, is what Evans emphasized in describing the variety. Not only has it become clear that the Waldo benthic liverwort is a Jungermannia, Jamesoniella autumnalis var. heterostipa has been judged synonymous with the typical variety, as Syzygiella autumnalis (DC) K. Feldberg, Váňa, Hentschel & Heinrichs (Stotler and Crandall-Stotler. 2017)).

To date, male shoots of typical material from British Columbia have not been studied for comparison. It would be good to observe and make digital photomicrographs of oil bodies of northern material. The sporadic appearance of large underleaves found in streams as well as in the benthic form is missing from the California material and not noticed in material from Washington and British Columbia. Eventually, molecular analysis may be necessary to sort out the variety of forms in our region.


Shoot, dorsal aspect. Siskiyou County, California. Shevock 57753 CAS.



Shoot, ventral aspect. Siskiyou County, California. Shevock 57753 CAS.



Single shoot with flagellae. Siskiyou County, California. Shevock 57753 CAS.



Close up of flagellae. Siskiyou County, California. Shevock 57753 CAS.



Shoot separated and floated in water. Uppermost Waldo Lake outlet stream, Lane County, Oregon. DHW m3168.



Shoot apex with perianth. Uppermost Waldo Lake outlet stream, Lane County, Oregon. DHW m3168.



Shoot, lateral aspect. Uppermost Waldo Lake outlet stream, Lane County, Oregon. DHW m3168.


Rhizoidal shoot, lateral aspect. Uppermost Waldo Lake outlet stream, Lane County, Oregon. DHW m3168.



Rhizoidal cluster. Uppermost Waldo Lake outlet stream, Lane County, Oregon. DHW m3168.



Shoot, dorsal aspect. Uppermost Waldo Lake outlet stream, Lane County, Oregon. DHW m0736.



Shoot, dorsal aspect. Uppermost Waldo Lake outlet stream, Lane County, Oregon. DHW m0736.



Shoot, dorsal aspect. About 1 km down Waldo Lake outlet stream, Lane County, Oregon. DHW m0613.



Shoot, dorso-lateral aspect. About 1 km down Waldo Lake outlet stream, Lane County, Oregon. DHW m0613.



Shoot, dorsal aspect. About 1 km down Waldo Lake outlet stream, Lane County, Oregon. DHW m0613.



Shoot, dorsal aspect. About 1 km down Waldo Lake outlet stream, Lane County, Oregon. DHW m0614a.



Shoot, dorsal aspect. About 1 km down Waldo Lake outlet stream, Lane County, Oregon. DHW m0614b.



Shoot, ventral aspect. About 1 km down Waldo Lake outlet stream, Lane County, Oregon. DHW m0614b.



Shoot, ventral aspect, with underleaf. About 3 km down Waldo Lake outlet stream, Lane County, Oregon. DHW m0619a.



Shoot, lateral aspect. About 3 km down Waldo Lake outlet stream, Lane County, Oregon. DHW m0619a.



Shoot, lateral aspect. Outlet stream of Lower Eddeeleo Lake, 0.7 km NNE of lake, Lane County, Oregon. DHW m0620.



Shoot, lateral aspect. Outlet stream of Lower Eddeeleo Lake, 0.7 km NNE of lake, Lane County, Oregon. DHW m0620.



Shoot, dorsal aspect, with isolated subapical underleaf. Outlet stream of Lower Eddeeleo Lake, 0.7 km NNE of lake, Lane County, Oregon. DHW m0620.



Stem section. Outlet stream of Lower Eddeeleo Lake, 0.7 km NNE of lake, Lane County, Oregon. DHW m0620.



Stem section. Outlet stream of Lower Eddeeleo Lake, 0.7 km NNE of lake, Lane County, Oregon. DHW m0620.



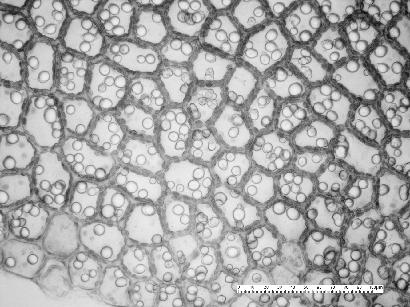
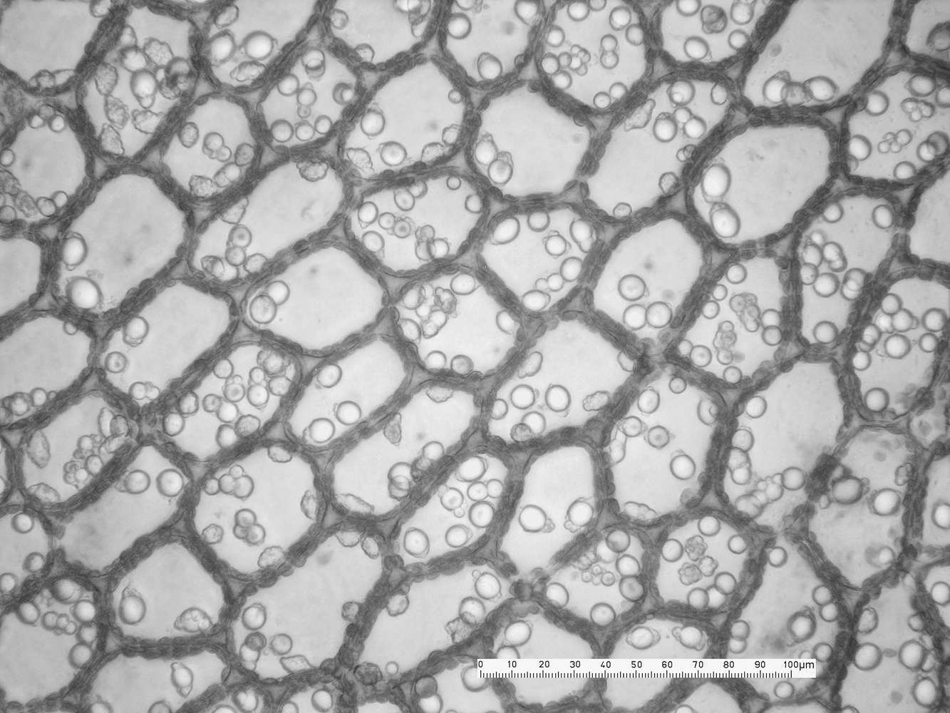
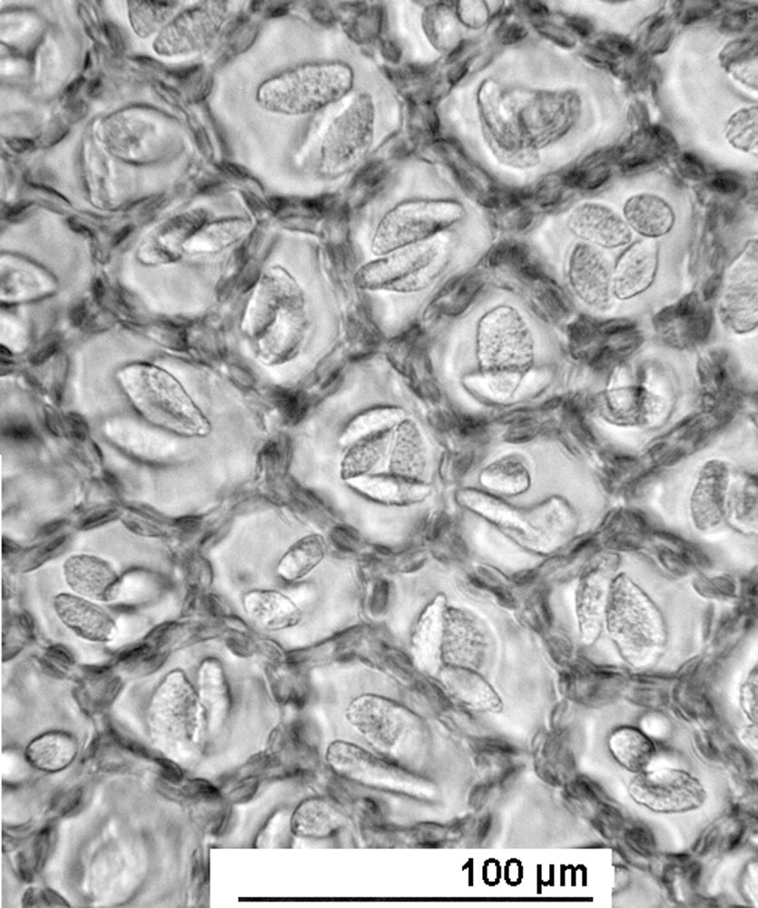
Midleaf cells with oil bodies. Outlet stream of Lower Eddeeleo Lake, 0.7 km NNE of lake, Lane County, Oregon. DHW m0620.



Marginal cells with oil bodies. Outlet stream of Lower Eddeeleo Lake, 0.7 km NNE of lake, Lane County, Oregon. DHW m0620.



Midleaf cells with oil bodies. Outlet stream of Lower Eddeeleo Lake, 0.7 km NNE of lake, Lane County, Oregon. DHW m0620.



Leaf. Siskiyou County, California. Shevock 57753 CAS.



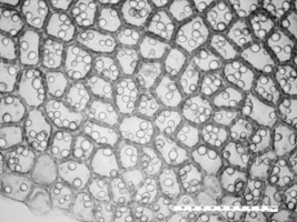
Median leaf cells. Siskiyou County, California. Shevock 57753 CAS.



The following pictures were originally posted under Jamesoniella autumnalis var. heterostipa


Outlet Stream, Waldo Lake, Lane Co., Oregon. DHW m0736



From 100m deep, Waldo Lake, Lane Co., Oregon. DHW m0765d.



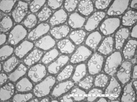
Oil bodies in median cells. From 100m deep, Waldo Lake, Lane Co., Oregon. DHW m0765d.



Dorsal aspect, male shoot. South Bay, Waldo Lake, Lane Co., Oregon. Larson #2 6-9-90.



Ventral aspect, male shoot. South Bay, Waldo Lake, Lane Co., Oregon. Larson #3 6-9-90.



Antheridia in male shoot. South Bay, Waldo Lake, Lane Co., Oregon. Station 10, 167' deep, Larson 8/25/1990.



GO BACK ONE STEP